CPK DRUM DATA (Front Side)
NP#
2117
2020
2543
2189
2794
Other
No elements found. Consider changing the search query.
List is empty.
NP Number
CASTING CODE
NES CODE
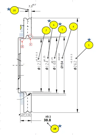
DIMENSION (11)
Ø156
155.70
155.75
155.80
155.90
155.95
156.00
156.05
156.10
156.15
156.20
156.25
156.30
No elements found. Consider changing the search query.
List is empty.
155.75-156.25
DIMENSION (8)
Ø246
245.70
245.75
245.80
245.85
245.90
245.95
246.00
246.05
246.10
246.15
246.20
246.25
246.30
No elements found. Consider changing the search query.
List is empty.
245.75-246.25
DIMENSION (55) 4 Hole
Go/NG
Go
No Go
No elements found. Consider changing the search query.
List is empty.
12.5-12.9
DIMENSION (10)
Ø134
133.70
133.75
133.80
133.85
133.90
133.95
134.00
134.05
134.10
134.15
134.20
134.25
134.30
No elements found. Consider changing the search query.
List is empty.
133.75-134.25
DIMENSION (12)
Ø217
216.70
216.75
216.80
216.85
216.90
216.95
217.00
217.05
217.10
217.15
217.20
217.25
217.30
No elements found. Consider changing the search query.
List is empty.
216.75-217.25
Remarks
Reject
Repair
OK
Insert Change
Vendor Rejection
No elements found. Consider changing the search query.
List is empty.
Email
Submit
CNC 1ST SIDE MACHINING
DISK FR BRAKE (262mm Painting)
NP#
2117
2020
2543
2189
2794
Other
No elements found. Consider changing the search query.
List is empty.
NP Number
CASTING CODE
NES CODE
DISK DIMENSION (7)
171.50
171.55
171.60
171.65
171.70
171.75
171.80
171.85
171.90
171.95
172.00
No elements found. Consider changing the search query.
List is empty.
Ø172 -0.5
DISK DIMENSION (10)
41.10
41.12
41.14
41.16
41.18
41.20
41.22
41.24
41.26
41.28
41.30
41.32
41.34
41.36
41.38
41.40
41.42
41.44
41.46
41.48
41.50
No elements found. Consider changing the search query.
List is empty.
Ø41.3 ±0.2
DISK DIMENSION
141.0
141.05
141.10
141.15
141.20
141.25
141.30
141.35
141.40
141.45
141.50
No elements found. Consider changing the search query.
List is empty.
Ø141 +0.5
DISK DIMENSION (61)
7.50
7.60
7.70
7.80
7.90
8.00
8.10
8.20
8.30
8.40
8.50
8.60
8.70
8.80
8.90
9.00
9.10
9.20
9.30
9.40
9.50
No elements found. Consider changing the search query.
List is empty.
8.3 ±0.75
DISK DIMENSION (8)
281.75
281.80
281.85
281.90
281.95
282.00
282.05
282.10
282.15
282.20
282.25
No elements found. Consider changing the search query.
List is empty.
Ø282.0 ±0.25
DISK DIMENSION (11)
27.50
27.55
27.60
27.65
27.65
27.70
27.75
27.80
27.85
27.90
27.95
28.00
28.05
28.10
28.15
28.20
28.25
28.30
28.35
28.40
28.45
28.50
No elements found. Consider changing the search query.
List is empty.
28.0 ±0.5
Remarks
Reject
Repair
OK
Insert Change
Vendor Rejection
No elements found. Consider changing the search query.
List is empty.
Email
Submit
MOS
OPS
Pictorial View
Pre Operation Check Sheet