CPK DRUM DATA (Front Side)
NP#
2117
2020
2543
2189
2794
Other
No elements found. Consider changing the search query.
List is empty.
NP Number
CASTING CODE
NES CODE
DIMENSION (11)
Ø156
155.70
155.75
155.80
155.90
155.95
156.00
156.05
156.10
156.15
156.20
156.25
156.30
No elements found. Consider changing the search query.
List is empty.
155.75-156.25
DIMENSION (8)
Ø246
245.70
245.75
245.80
245.85
245.90
245.95
246.00
246.05
246.10
246.15
246.20
246.25
246.30
No elements found. Consider changing the search query.
List is empty.
245.75-246.25
DIMENSION (55) 4 Hole
Go/NG
Go
No Go
No elements found. Consider changing the search query.
List is empty.
12.5-12.9
DIMENSION (10)
Ø134
133.70
133.75
133.80
133.85
133.90
133.95
134.00
134.05
134.10
134.15
134.20
134.25
134.30
No elements found. Consider changing the search query.
List is empty.
133.75-134.25
DIMENSION (12)
Ø217
216.70
216.75
216.80
216.85
216.90
216.95
217.00
217.05
217.10
217.15
217.20
217.25
217.30
No elements found. Consider changing the search query.
List is empty.
216.75-217.25
Remarks
Reject
Repair
OK
Insert Change
Vendor Rejection
No elements found. Consider changing the search query.
List is empty.
Email
Submit
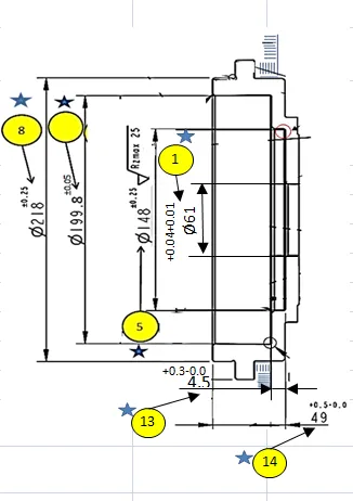
2ND SIDE CNC MACHINING
DRUM REAR BRAKE (200 mm)
NP#
2117
2020
2189
2543
2772
2794
2808
Other
No elements found. Consider changing the search query.
List is empty.
NP Number
CASTING CODE
NES CODE
DIMENSION (13)
4.5
4.45
4.5
4.55
4.6
4.65
4.7
4.75
4.8
4.85
No elements found. Consider changing the search query.
List is empty.
4.5-4.8
DIMENSION (8)
Ø218
217.75
217.80
217.85
217.90
217.95
218.00
218.05
218.10
218.15
218.20
218.25
No elements found. Consider changing the search query.
List is empty.
217.75-218.25
DIMENSION (Before Honing)
Ø199.8
199.70
199.75
199.78
199.80
199.82
199.85
199.90
199.95
No elements found. Consider changing the search query.
List is empty.
199.75-199.85
DIMENSION (5)
Ø148
147.75
147.80
147.85
147.90
147.95
147.98
147.99
148.00
148.01
148.02
148.05
148.10
148.11
148.15
148.18
148.20
148.22
148.25
No elements found. Consider changing the search query.
List is empty.
147.75-148.25
DIMENSION (14)
49
49.00
49.05
49.10
49.15
49.17
49.19
49.21
49.23
49.25
49.27
49.29
49.30
49.32
49.35
49.40
49.45
49.50
No elements found. Consider changing the search query.
List is empty.
49-49.5
DIMENSION (1)
Ø61
61.00
61.01
61.02
61.03
61.04
61.05
61.06
No elements found. Consider changing the search query.
List is empty.
61.01-61.04
Remarks
Reject
Repair
OK
Vendor Rejection
Insert Change
No elements found. Consider changing the search query.
List is empty.
Email
Submit
MOS
OPS
Pictorial View
Pre Operation Check Sheet